
蝶閥知識
閥門首頁 > 閥門知識 > 蝶閥知識 > 
	更多相關產品點擊:蝶閥
	
	
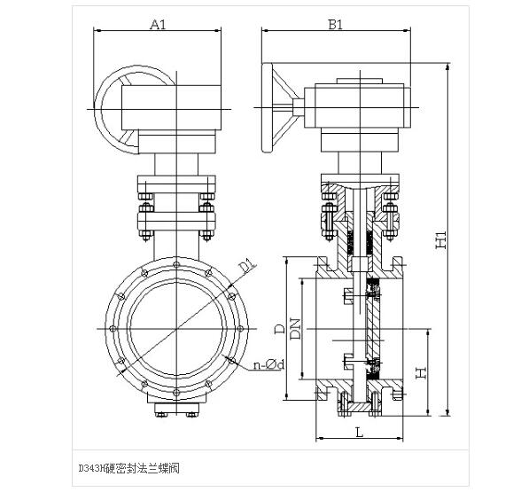
	法蘭蝶閥D343H-25 DN600代表的含義是:D代表閥門類型為蝶閥,3代表驅動裝置為蝸輪,4代表連接方式為法蘭,3代表結構形式為三偏心,H代表閥座堆焊為不銹鋼,25代表公稱壓力為2.5MPA,DN600代表閥門的公稱直徑為600毫米。
	
	
	具體來說,D343H-25中的每個字母和數字都有其特定的含義:
	
	 

這種閥門通常用于介質溫度≤425℃的冶金、電力、石油化工、給排水和市政建設等工業管道上,主要用于調節流量和截斷流體。金屬硬密封蝶閥采用三偏心密封結構,閥座與蝶板幾乎無磨損,具有越觀越緊的密封功能。密封圈選用不銹鋼制作,具有金屬硬密封和彈性密封的雙重優點,無論在低溫和高溫的情況下,均具有優良的密封性能,具有耐腐蝕,使用壽命長等特點。蝶板密封面采用堆焊鈷基硬質合金,密封面耐磨損,使用壽命長。大規格蝶板采用絎架結構,強度高,過流面積大,流阻小。金屬硬密封蝶閥具有雙向密封功能,安裝時不受介質流向的限制,也不受空間位置的影響,可在任何方向安裝。驅動裝置可以多工位(旋轉90°或180°)安裝,便于用戶使用。

| 
					 
						型號 
				 | 
				
					 
						D343H-10 
					
						D343H-16 
					
						D343H-25 
					
						D343H-40 
				 | 
				
					 
						D343H-10P 
					
						D343H-16P 
					
						D343H-25P 
					
						D343H-40P 
				 | 
				
					 
						D343H-10R 
					
						D343H-16R 
					
						D343H-25R 
					
						D343H-40R 
				 | 
			|
| 
					 
						工作壓力(MPa) 
				 | 
				
					 
						1.0~4.0 
				 | 
			|||
| 
					 
						適用溫度(℃) 
				 | 
				
					 
						≤425 
				 | 
				
					 
						≤200 
				 | 
			||
| 
					 
						適用介質 
				 | 
				
					 
						水、油或非腐蝕性介質 
				 | 
				
					 
						硝酸類介質 
				 | 
				
					 
						醋酸類介質 
				 | 
			|
| 
					 
						材料 
				 | 
				
					 
						閥體、蝶板 
				 | 
				
					 
						WCB 
				 | 
				
					 
						CF8/304 
				 | 
				
					 
						CF3M/316L 
				 | 
			
| 
					 
						閥桿 
				 | 
				
					 
						2Cr13 
				 | 
				
					 
						304 
				 | 
				
					 
						316L 
				 | 
			|
| 
					 
						閥體密封面 
				 | 
				
					 
						堆焊 507 
				 | 
				
					 
						- 
				 | 
				
					 
						- 
				 | 
			|
| 
					 
						蝶板密封面 
				 | 
				
					 
						304+柔性石墨 
				 | 
				
					 
						304+PTFE 
				 | 
				
					 
						304+PTFE 
				 | 
			|
| 
					 
						填料 
				 | 
				
					 
						柔性石墨 
				 | 
				
					 
						PTFE 
				 | 
				
					 
						PTFE 
				 | 
			|
| 
						 
							公稱通徑 
					 | 
					
						 
							長度 
						
							標準值 
					 | 
					
						 
							外形尺寸 
						
							(參考值) 
					 | 
					
						 
							連接尺寸 
						
							(標準值) 
					 | 
					
						 
							重量 
						
							(kg) 
					 | 
				||||||||||
| 
						 
							L 
					 | 
					
						 
							H 
					 | 
					
						 
							H1 
					 | 
					
						 
							A1 
					 | 
					
						 
							B1 
					 | 
					
						 
							PN0.6MPa 
					 | 
					
						 
							PN1.0MPa 
					 | 
				||||||||
| 
						 
							毫米 
					 | 
					
						 
							英寸 
					 | 
					
						 
							短 
					 | 
					
						 
							長 
					 | 
					
						 
							D 
					 | 
					
						 
							D1 
					 | 
					
						 
							Z-d 
					 | 
					
						 
							D 
					 | 
					
						 
							D1 
					 | 
					
						 
							Z-d 
					 | 
				|||||
| 
						 
							50 
					 | 
					
						 
							2 
					 | 
					
						 
							108 
					 | 
					
						 
							150 
					 | 
					
						 
							112 
					 | 
					
						 
							350 
					 | 
					
						 
							180 
					 | 
					
						 
							200 
					 | 
					
						 
							140 
					 | 
					
						 
							110 
					 | 
					
						 
							4-14 
					 | 
					
						 
							165 
					 | 
					
						 
							125 
					 | 
					
						 
							4-18 
					 | 
					
						 
							17 
					 | 
				
| 
						 
							65 
					 | 
					
						 
							21/2 
					 | 
					
						 
							112 
					 | 
					
						 
							170 
					 | 
					
						 
							115 
					 | 
					
						 
							370 
					 | 
					
						 
							180 
					 | 
					
						 
							200 
					 | 
					
						 
							160 
					 | 
					
						 
							130 
					 | 
					
						 
							4-14 
					 | 
					
						 
							185 
					 | 
					
						 
							145 
					 | 
					
						 
							4-18 
					 | 
					
						 
							20 
					 | 
				
| 
						 
							80 
					 | 
					
						 
							3 
					 | 
					
						 
							114 
					 | 
					
						 
							180 
					 | 
					
						 
							120 
					 | 
					
						 
							380 
					 | 
					
						 
							180 
					 | 
					
						 
							200 
					 | 
					
						 
							190 
					 | 
					
						 
							150 
					 | 
					
						 
							4-18 
					 | 
					
						 
							200 
					 | 
					
						 
							160 
					 | 
					
						 
							8-18 
					 | 
					
						 
							23 
					 | 
				
| 
						 
							100 
					 | 
					
						 
							4 
					 | 
					
						 
							127 
					 | 
					
						 
							190 
					 | 
					
						 
							138 
					 | 
					
						 
							420 
					 | 
					
						 
							180 
					 | 
					
						 
							200 
					 | 
					
						 
							210 
					 | 
					
						 
							170 
					 | 
					
						 
							4-18 
					 | 
					
						 
							220 
					 | 
					
						 
							180 
					 | 
					
						 
							8-18 
					 | 
					
						 
							25 
					 | 
				
| 
						 
							125 
					 | 
					
						 
							5 
					 | 
					
						 
							140 
					 | 
					
						 
							200 
					 | 
					
						 
							164 
					 | 
					
						 
							460 
					 | 
					
						 
							180 
					 | 
					
						 
							200 
					 | 
					
						 
							240 
					 | 
					
						 
							200 
					 | 
					
						 
							8-18 
					 | 
					
						 
							250 
					 | 
					
						 
							210 
					 | 
					
						 
							8-18 
					 | 
					
						 
							40 
					 | 
				
| 
						 
							150 
					 | 
					
						 
							6 
					 | 
					
						 
							140 
					 | 
					
						 
							210 
					 | 
					
						 
							175 
					 | 
					
						 
							555 
					 | 
					
						 
							270 
					 | 
					
						 
							280 
					 | 
					
						 
							265 
					 | 
					
						 
							225 
					 | 
					
						 
							8-18 
					 | 
					
						 
							285 
					 | 
					
						 
							240 
					 | 
					
						 
							8-22 
					 | 
					
						 
							47 
					 | 
				
| 
						 
							200 
					 | 
					
						 
							8 
					 | 
					
						 
							152 
					 | 
					
						 
							230 
					 | 
					
						 
							208 
					 | 
					
						 
							605 
					 | 
					
						 
							270 
					 | 
					
						 
							280 
					 | 
					
						 
							320 
					 | 
					
						 
							280 
					 | 
					
						 
							8-18 
					 | 
					
						 
							340 
					 | 
					
						 
							295 
					 | 
					
						 
							8-22 
					 | 
					
						 
							60 
					 | 
				
| 
						 
							250 
					 | 
					
						 
							10 
					 | 
					
						 
							165 
					 | 
					
						 
							250 
					 | 
					
						 
							243 
					 | 
					
						 
							680 
					 | 
					
						 
							270 
					 | 
					
						 
							280 
					 | 
					
						 
							375 
					 | 
					
						 
							335 
					 | 
					
						 
							12-18 
					 | 
					
						 
							395 
					 | 
					
						 
							350 
					 | 
					
						 
							12-22 
					 | 
					
						 
							95 
					 | 
				
| 
						 
							300 
					 | 
					
						 
							12 
					 | 
					
						 
							178 
					 | 
					
						 
							270 
					 | 
					
						 
							283 
					 | 
					
						 
							800 
					 | 
					
						 
							380 
					 | 
					
						 
							420 
					 | 
					
						 
							400 
					 | 
					
						 
							395 
					 | 
					
						 
							12-22 
					 | 
					
						 
							445 
					 | 
					
						 
							400 
					 | 
					
						 
							12-22 
					 | 
					
						 
							124 
					 | 
				
| 
						 
							350 
					 | 
					
						 
							14 
					 | 
					
						 
							190 
					 | 
					
						 
							290 
					 | 
					
						 
							310 
					 | 
					
						 
							835 
					 | 
					
						 
							380 
					 | 
					
						 
							420 
					 | 
					
						 
							490 
					 | 
					
						 
							445 
					 | 
					
						 
							12-22 
					 | 
					
						 
							505 
					 | 
					
						 
							460 
					 | 
					
						 
							16-22 
					 | 
					
						 
							181 
					 | 
				
| 
						 
							400 
					 | 
					
						 
							16 
					 | 
					
						 
							216 
					 | 
					
						 
							310 
					 | 
					
						 
							340 
					 | 
					
						 
							915 
					 | 
					
						 
							450 
					 | 
					
						 
							470 
					 | 
					
						 
							540 
					 | 
					
						 
							495 
					 | 
					
						 
							16-22 
					 | 
					
						 
							565 
					 | 
					
						 
							515 
					 | 
					
						 
							16-26 
					 | 
					
						 
							260 
					 | 
				
| 
						 
							450 
					 | 
					
						 
							18 
					 | 
					
						 
							222 
					 | 
					
						 
							330 
					 | 
					
						 
							380 
					 | 
					
						 
							960 
					 | 
					
						 
							480 
					 | 
					
						 
							490 
					 | 
					
						 
							595 
					 | 
					
						 
							550 
					 | 
					
						 
							16-22 
					 | 
					
						 
							615 
					 | 
					
						 
							565 
					 | 
					
						 
							20-26 
					 | 
					
						 
							338 
					 | 
				
| 
						 
							500 
					 | 
					
						 
							20 
					 | 
					
						 
							229 
					 | 
					
						 
							350 
					 | 
					
						 
							410 
					 | 
					
						 
							1020 
					 | 
					
						 
							480 
					 | 
					
						 
							490 
					 | 
					
						 
							645 
					 | 
					
						 
							600 
					 | 
					
						 
							20-22 
					 | 
					
						 
							670 
					 | 
					
						 
							620 
					 | 
					
						 
							20-26 
					 | 
					
						 
							360 
					 | 
				
| 
						 
							600 
					 | 
					
						 
							24 
					 | 
					
						 
							267 
					 | 
					
						 
							390 
					 | 
					
						 
							470 
					 | 
					
						 
							1225 
					 | 
					
						 
							480 
					 | 
					
						 
							490 
					 | 
					
						 
							755 
					 | 
					
						 
							705 
					 | 
					
						 
							20-26 
					 | 
					
						 
							780 
					 | 
					
						 
							725 
					 | 
					
						 
							20-30 
					 | 
					
						 
							540 
					 | 
				
| 
						 
							700 
					 | 
					
						 
							28 
					 | 
					
						 
							292 
					 | 
					
						 
							430 
					 | 
					
						 
							550 
					 | 
					
						 
							1355 
					 | 
					
						 
							640 
					 | 
					
						 
							660 
					 | 
					
						 
							860 
					 | 
					
						 
							810 
					 | 
					
						 
							24-26 
					 | 
					
						 
							895 
					 | 
					
						 
							840 
					 | 
					
						 
							24-30 
					 | 
					
						 
							580 
					 | 
				
| 
						 
							800 
					 | 
					
						 
							32 
					 | 
					
						 
							318 
					 | 
					
						 
							470 
					 | 
					
						 
							640 
					 | 
					
						 
							1470 
					 | 
					
						 
							640 
					 | 
					
						 
							660 
					 | 
					
						 
							975 
					 | 
					
						 
							920 
					 | 
					
						 
							24-30 
					 | 
					
						 
							1015 
					 | 
					
						 
							950 
					 | 
					
						 
							24-33 
					 | 
					
						 
							845 
					 | 
				
| 
						 
							900 
					 | 
					
						 
							36 
					 | 
					
						 
							330 
					 | 
					
						 
							510 
					 | 
					
						 
							710 
					 | 
					
						 
							1545 
					 | 
					
						 
							750 
					 | 
					
						 
							860 
					 | 
					
						 
							1075 
					 | 
					
						 
							1020 
					 | 
					
						 
							24-30 
					 | 
					
						 
							1115 
					 | 
					
						 
							1050 
					 | 
					
						 
							28-33 
					 | 
					
						 
							1050 
					 | 
				
| 
						 
							1000 
					 | 
					
						 
							40 
					 | 
					
						 
							410 
					 | 
					
						 
							550 
					 | 
					
						 
							770 
					 | 
					
						 
							1795 
					 | 
					
						 
							850 
					 | 
					
						 
							900 
					 | 
					
						 
							1175 
					 | 
					
						 
							1120 
					 | 
					
						 
							28-30 
					 | 
					
						 
							1230 
					 | 
					
						 
							1160 
					 | 
					
						 
							28-36 
					 | 
					
						 
							1500 
					 | 
				
| 
						 
							1200 
					 | 
					
						 
							48 
					 | 
					
						 
							470 
					 | 
					
						 
							630 
					 | 
					
						 
							890 
					 | 
					
						 
							1965 
					 | 
					
						 
							850 
					 | 
					
						 
							900 
					 | 
					
						 
							1405 
					 | 
					
						 
							1340 
					 | 
					
						 
							32-33 
					 | 
					
						 
							1455 
					 | 
					
						 
							1380 
					 | 
					
						 
							32-39 
					 | 
					
						 
							2000 
					 | 
				
| 
						 
							公稱通徑 
					 | 
					
						 
							長度 
						
							標準值 
					 | 
					
						 
							外形尺寸 
						
							(參考值) 
					 | 
					
						 
							連接尺寸 
						
							(標準值) 
					 | 
					
						 
							重量 
						
							(kg) 
					 | 
				||||||||||
| 
						 
							L 
					 | 
					
						 
							H 
					 | 
					
						 
							H1 
					 | 
					
						 
							A1 
					 | 
					
						 
							B1 
					 | 
					
						 
							PN1.6MPa 
					 | 
					
						 
							PN2.5MPa 
					 | 
				||||||||
| 
						 
							毫米 
					 | 
					
						 
							英寸 
					 | 
					
						 
							短 
					 | 
					
						 
							長 
					 | 
					
						 
							D 
					 | 
					
						 
							D1 
					 | 
					
						 
							Z-d 
					 | 
					
						 
							D 
					 | 
					
						 
							D1 
					 | 
					
						 
							Z-d 
					 | 
				|||||
| 
						 
							50 
					 | 
					
						 
							2 
					 | 
					
						 
							108 
					 | 
					
						 
							150 
					 | 
					
						 
							112 
					 | 
					
						 
							350 
					 | 
					
						 
							180 
					 | 
					
						 
							200 
					 | 
					
						 
							165 
					 | 
					
						 
							125 
					 | 
					
						 
							4-18 
					 | 
					
						 
							165 
					 | 
					
						 
							125 
					 | 
					
						 
							4-18 
					 | 
					
						 
							19 
					 | 
				
| 
						 
							65 
					 | 
					
						 
							21/2 
					 | 
					
						 
							112 
					 | 
					
						 
							170 
					 | 
					
						 
							115 
					 | 
					
						 
							370 
					 | 
					
						 
							180 
					 | 
					
						 
							200 
					 | 
					
						 
							185 
					 | 
					
						 
							145 
					 | 
					
						 
							4-18 
					 | 
					
						 
							185 
					 | 
					
						 
							145 
					 | 
					
						 
							8-18 
					 | 
					
						 
							22 
					 | 
				
| 
						 
							80 
					 | 
					
						 
							3 
					 | 
					
						 
							114 
					 | 
					
						 
							180 
					 | 
					
						 
							120 
					 | 
					
						 
							380 
					 | 
					
						 
							180 
					 | 
					
						 
							200 
					 | 
					
						 
							200 
					 | 
					
						 
							160 
					 | 
					
						 
							8-18 
					 | 
					
						 
							200 
					 | 
					
						 
							160 
					 | 
					
						 
							8-18 
					 | 
					
						 
							25 
					 | 
				
| 
						 
							100 
					 | 
					
						 
							4 
					 | 
					
						 
							127 
					 | 
					
						 
							190 
					 | 
					
						 
							138 
					 | 
					
						 
							420 
					 | 
					
						 
							180 
					 | 
					
						 
							200 
					 | 
					
						 
							220 
					 | 
					
						 
							180 
					 | 
					
						 
							8-18 
					 | 
					
						 
							235 
					 | 
					
						 
							190 
					 | 
					
						 
							8-22 
					 | 
					
						 
							28 
					 | 
				
| 
						 
							125 
					 | 
					
						 
							5 
					 | 
					
						 
							140 
					 | 
					
						 
							200 
					 | 
					
						 
							164 
					 | 
					
						 
							460 
					 | 
					
						 
							180 
					 | 
					
						 
							200 
					 | 
					
						 
							250 
					 | 
					
						 
							210 
					 | 
					
						 
							8-18 
					 | 
					
						 
							270 
					 | 
					
						 
							220 
					 | 
					
						 
							8-26 
					 | 
					
						 
							43 
					 | 
				
| 
						 
							150 
					 | 
					
						 
							6 
					 | 
					
						 
							140 
					 | 
					
						 
							210 
					 | 
					
						 
							175 
					 | 
					
						 
							555 
					 | 
					
						 
							270 
					 | 
					
						 
							280 
					 | 
					
						 
							285 
					 | 
					
						 
							240 
					 | 
					
						 
							8-22 
					 | 
					
						 
							300 
					 | 
					
						 
							250 
					 | 
					
						 
							8-26 
					 | 
					
						 
							50 
					 | 
				
| 
						 
							200 
					 | 
					
						 
							8 
					 | 
					
						 
							152 
					 | 
					
						 
							230 
					 | 
					
						 
							208 
					 | 
					
						 
							605 
					 | 
					
						 
							270 
					 | 
					
						 
							280 
					 | 
					
						 
							340 
					 | 
					
						 
							295 
					 | 
					
						 
							12-22 
					 | 
					
						 
							360 
					 | 
					
						 
							310 
					 | 
					
						 
							12-26 
					 | 
					
						 
							64 
					 | 
				
| 
						 
							250 
					 | 
					
						 
							10 
					 | 
					
						 
							165 
					 | 
					
						 
							250 
					 | 
					
						 
							243 
					 | 
					
						 
							680 
					 | 
					
						 
							270 
					 | 
					
						 
							280 
					 | 
					
						 
							405 
					 | 
					
						 
							355 
					 | 
					
						 
							12-26 
					 | 
					
						 
							425 
					 | 
					
						 
							370 
					 | 
					
						 
							12-30 
					 | 
					
						 
							99 
					 | 
				
| 
						 
							300 
					 | 
					
						 
							12 
					 | 
					
						 
							178 
					 | 
					
						 
							270 
					 | 
					
						 
							283 
					 | 
					
						 
							800 
					 | 
					
						 
							380 
					 | 
					
						 
							420 
					 | 
					
						 
							460 
					 | 
					
						 
							410 
					 | 
					
						 
							12-26 
					 | 
					
						 
							485 
					 | 
					
						 
							430 
					 | 
					
						 
							16-30 
					 | 
					
						 
							130 
					 | 
				
| 
						 
							350 
					 | 
					
						 
							14 
					 | 
					
						 
							190 
					 | 
					
						 
							290 
					 | 
					
						 
							310 
					 | 
					
						 
							835 
					 | 
					
						 
							380 
					 | 
					
						 
							420 
					 | 
					
						 
							520 
					 | 
					
						 
							470 
					 | 
					
						 
							16-26 
					 | 
					
						 
							555 
					 | 
					
						 
							490 
					 | 
					
						 
							16-33 
					 | 
					
						 
							188 
					 | 
				
| 
						 
							400 
					 | 
					
						 
							16 
					 | 
					
						 
							216 
					 | 
					
						 
							310 
					 | 
					
						 
							340 
					 | 
					
						 
							915 
					 | 
					
						 
							450 
					 | 
					
						 
							470 
					 | 
					
						 
							580 
					 | 
					
						 
							525 
					 | 
					
						 
							16-30 
					 | 
					
						 
							620 
					 | 
					
						 
							550 
					 | 
					
						 
							16-36 
					 | 
					
						 
							270 
					 | 
				
| 
						 
							450 
					 | 
					
						 
							18 
					 | 
					
						 
							222 
					 | 
					
						 
							330 
					 | 
					
						 
							380 
					 | 
					
						 
							960 
					 | 
					
						 
							450 
					 | 
					
						 
							470 
					 | 
					
						 
							640 
					 | 
					
						 
							585 
					 | 
					
						 
							20-30 
					 | 
					
						 
							670 
					 | 
					
						 
							600 
					 | 
					
						 
							20-36 
					 | 
					
						 
							350 
					 | 
				
| 
						 
							500 
					 | 
					
						 
							20 
					 | 
					
						 
							229 
					 | 
					
						 
							350 
					 | 
					
						 
							410 
					 | 
					
						 
							1020 
					 | 
					
						 
							480 
					 | 
					
						 
							490 
					 | 
					
						 
							715 
					 | 
					
						 
							650 
					 | 
					
						 
							20-33 
					 | 
					
						 
							730 
					 | 
					
						 
							660 
					 | 
					
						 
							20-36 
					 | 
					
						 
							375 
					 | 
				
| 
						 
							600 
					 | 
					
						 
							24 
					 | 
					
						 
							267 
					 | 
					
						 
							390 
					 | 
					
						 
							470 
					 | 
					
						 
							1225 
					 | 
					
						 
							640 
					 | 
					
						 
							660 
					 | 
					
						 
							840 
					 | 
					
						 
							770 
					 | 
					
						 
							20-36 
					 | 
					
						 
							845 
					 | 
					
						 
							770 
					 | 
					
						 
							20-39 
					 | 
					
						 
							560 
					 | 
				
| 
						 
							700 
					 | 
					
						 
							28 
					 | 
					
						 
							292 
					 | 
					
						 
							430 
					 | 
					
						 
							550 
					 | 
					
						 
							1355 
					 | 
					
						 
							640 
					 | 
					
						 
							660 
					 | 
					
						 
							910 
					 | 
					
						 
							840 
					 | 
					
						 
							24-36 
					 | 
					
						 
							960 
					 | 
					
						 
							875 
					 | 
					
						 
							24-42 
					 | 
					
						 
							610 
					 | 
				
| 
						 
							800 
					 | 
					
						 
							32 
					 | 
					
						 
							318 
					 | 
					
						 
							470 
					 | 
					
						 
							640 
					 | 
					
						 
							1470 
					 | 
					
						 
							640 
					 | 
					
						 
							660 
					 | 
					
						 
							1025 
					 | 
					
						 
							950 
					 | 
					
						 
							24-39 
					 | 
					
						 
							1085 
					 | 
					
						 
							990 
					 | 
					
						 
							24-48 
					 | 
					
						 
							880 
					 | 
				
| 
						 
							900 
					 | 
					
						 
							36 
					 | 
					
						 
							330 
					 | 
					
						 
							510 
					 | 
					
						 
							710 
					 | 
					
						 
							1545 
					 | 
					
						 
							650 
					 | 
					
						 
							860 
					 | 
					
						 
							1125 
					 | 
					
						 
							1050 
					 | 
					
						 
							28-39 
					 | 
					
						 
							1185 
					 | 
					
						 
							1090 
					 | 
					
						 
							28-48 
					 | 
					
						 
							1100 
					 | 
				
| 
						 
							1000 
					 | 
					
						 
							40 
					 | 
					
						 
							410 
					 | 
					
						 
							550 
					 | 
					
						 
							770 
					 | 
					
						 
							1795 
					 | 
					
						 
							650 
					 | 
					
						 
							900 
					 | 
					
						 
							1255 
					 | 
					
						 
							1170 
					 | 
					
						 
							28-42 
					 | 
					
						 
							1320 
					 | 
					
						 
							1210 
					 | 
					
						 
							28-56 
					 | 
					
						 
							1600 
					 | 
				
| 
						 
							1200 
					 | 
					
						 
							48 
					 | 
					
						 
							470 
					 | 
					
						 
							630 
					 | 
					
						 
							890 
					 | 
					
						 
							1965 
					 | 
					
						 
							650 
					 | 
					
						 
							900 
					 | 
					
						 
							1485 
					 | 
					
						 
							1390 
					 | 
					
						 
							32-48 
					 | 
					
						 
							1530 
					 | 
					
						 
							1420 
					 | 
					
						 
							32-56 
					 | 
					
						 
							2150 
					 | 
				
| 
						 
							公稱通徑 
					 | 
					
						 
							結構長度(標準值) 
					 | 
					
						 
							外形尺寸(參考值) 
					 | 
					
						 
							連接尺寸(標準值) 
					 | 
				|||||||
| 
						 
							L 
					 | 
					
						 
							H 
					 | 
					
						 
							H1 
					 | 
					
						 
							A1 
					 | 
					
						 
							B1 
					 | 
					
						 
							PN4.0MPa 
					 | 
				|||||
| 
						 
							毫米 
					 | 
					
						 
							英寸 
					 | 
					
						 
							短 
					 | 
					
						 
							長 
					 | 
					
						 
							D 
					 | 
					
						 
							D1 
					 | 
					
						 
							Z-d 
					 | 
				||||
| 
						 
							50 
					 | 
					
						 
							2 
					 | 
					
						 
							108 
					 | 
					
						 
							150 
					 | 
					
						 
							112 
					 | 
					
						 
							350 
					 | 
					
						 
							180 
					 | 
					
						 
							200 
					 | 
					
						 
							165 
					 | 
					
						 
							125 
					 | 
					
						 
							4-18 
					 | 
				
| 
						 
							65 
					 | 
					
						 
							21/2 
					 | 
					
						 
							112 
					 | 
					
						 
							170 
					 | 
					
						 
							115 
					 | 
					
						 
							370 
					 | 
					
						 
							180 
					 | 
					
						 
							200 
					 | 
					
						 
							185 
					 | 
					
						 
							145 
					 | 
					
						 
							8-18 
					 | 
				
| 
						 
							80 
					 | 
					
						 
							3 
					 | 
					
						 
							114 
					 | 
					
						 
							180 
					 | 
					
						 
							120 
					 | 
					
						 
							380 
					 | 
					
						 
							180 
					 | 
					
						 
							200 
					 | 
					
						 
							200 
					 | 
					
						 
							160 
					 | 
					
						 
							8-18 
					 | 
				
| 
						 
							100 
					 | 
					
						 
							4 
					 | 
					
						 
							127 
					 | 
					
						 
							190 
					 | 
					
						 
							138 
					 | 
					
						 
							420 
					 | 
					
						 
							180 
					 | 
					
						 
							200 
					 | 
					
						 
							235 
					 | 
					
						 
							190 
					 | 
					
						 
							8-22 
					 | 
				
| 
						 
							125 
					 | 
					
						 
							5 
					 | 
					
						 
							140 
					 | 
					
						 
							200 
					 | 
					
						 
							164 
					 | 
					
						 
							460 
					 | 
					
						 
							180 
					 | 
					
						 
							200 
					 | 
					
						 
							270 
					 | 
					
						 
							220 
					 | 
					
						 
							8-26 
					 | 
				
| 
						 
							150 
					 | 
					
						 
							6 
					 | 
					
						 
							140 
					 | 
					
						 
							210 
					 | 
					
						 
							175 
					 | 
					
						 
							555 
					 | 
					
						 
							270 
					 | 
					
						 
							280 
					 | 
					
						 
							300 
					 | 
					
						 
							250 
					 | 
					
						 
							8-26 
					 | 
				
| 
						 
							200 
					 | 
					
						 
							8 
					 | 
					
						 
							152 
					 | 
					
						 
							230 
					 | 
					
						 
							208 
					 | 
					
						 
							605 
					 | 
					
						 
							270 
					 | 
					
						 
							280 
					 | 
					
						 
							375 
					 | 
					
						 
							320 
					 | 
					
						 
							12-30 
					 | 
				
| 
						 
							250 
					 | 
					
						 
							10 
					 | 
					
						 
							165 
					 | 
					
						 
							250 
					 | 
					
						 
							243 
					 | 
					
						 
							680 
					 | 
					
						 
							270 
					 | 
					
						 
							280 
					 | 
					
						 
							450 
					 | 
					
						 
							385 
					 | 
					
						 
							12-33 
					 | 
				
| 
						 
							300 
					 | 
					
						 
							12 
					 | 
					
						 
							178 
					 | 
					
						 
							270 
					 | 
					
						 
							283 
					 | 
					
						 
							800 
					 | 
					
						 
							380 
					 | 
					
						 
							420 
					 | 
					
						 
							515 
					 | 
					
						 
							450 
					 | 
					
						 
							16-33 
					 | 
				
| 
						 
							350 
					 | 
					
						 
							14 
					 | 
					
						 
							190 
					 | 
					
						 
							290 
					 | 
					
						 
							310 
					 | 
					
						 
							830 
					 | 
					
						 
							380 
					 | 
					
						 
							420 
					 | 
					
						 
							580 
					 | 
					
						 
							510 
					 | 
					
						 
							16-36 
					 | 
				
| 
						 
							400 
					 | 
					
						 
							16 
					 | 
					
						 
							216 
					 | 
					
						 
							310 
					 | 
					
						 
							340 
					 | 
					
						 
							915 
					 | 
					
						 
							450 
					 | 
					
						 
							470 
					 | 
					
						 
							660 
					 | 
					
						 
							585 
					 | 
					
						 
							16-39 
					 | 
				
| 
						 
							450 
					 | 
					
						 
							18 
					 | 
					
						 
							222 
					 | 
					
						 
							330 
					 | 
					
						 
							380 
					 | 
					
						 
							960 
					 | 
					
						 
							480 
					 | 
					
						 
							490 
					 | 
					
						 
							685 
					 | 
					
						 
							610 
					 | 
					
						 
							20-39 
					 | 
				
| 
						 
							500 
					 | 
					
						 
							20 
					 | 
					
						 
							229 
					 | 
					
						 
							350 
					 | 
					
						 
							410 
					 | 
					
						 
							1020 
					 | 
					
						 
							480 
					 | 
					
						 
							490 
					 | 
					
						 
							755 
					 | 
					
						 
							670 
					 | 
					
						 
							20-42 
					 | 
				
上一篇:蝶閥D71X-10Q-DN400型號的含義及產品說明書 / 下一篇:沒有了